
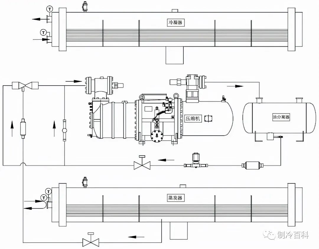
一、机组结构
螺杆式水冷冷水机组,主要由半封闭双螺杆压缩机、壳管式冷凝器及满液式蒸发器、油分离器、节流机构、电气控制系统等组合而成。
(1)蒸发器:在机组运行过程中,蒸发器一直维持较低的温度和压力,以便蒸发的制冷剂气体带走流过其内部冷冻水的热量。
(2)冷凝器:在机组运行过程中,冷凝器一直维持较高的温度和压力,以便流过冷凝器的冷却水带走制冷剂中的热量。
(3)螺杆压缩机:不断将蒸发器中蒸发的制冷剂气体送至冷凝器中,维持系统的高低压差。
(4)油分离器:将随制冷剂气体排出的冷冻油分离出来直接送回压缩机,保证压缩机安全可靠运行。
(5)电控系统:采用PLC或单片机控制系统,可自动调节机组输出制冷量达到用户实际需求;可控制使用侧、热源测水泵及冷却塔风机;显示以下参数:冷冻水进出水温度、冷却水进出水温度、蒸发、冷凝压力等系统参数;可进行当前故障及历史故障记录查询。
二、制冷系统介绍
水冷螺杆式冷水机组为蒸气压缩式制冷机组的一种。其制冷原理均是通过压缩机对制冷剂蒸气施加能量,使其压力、温度提高,然后通过冷凝、节流过程,使之变为低压,低温制冷剂液体在蒸发器内蒸发为蒸汽,同时从周围环境(载冷剂,如冷水中)获取热量使载冷剂温度降低,从而达到人工制冷的目的。由此可见,蒸汽压缩式制冷循环包括压缩、冷凝、节流、蒸发等四个必不可少的过程。
其原理分述如下:

压缩过程:蒸发器中的制冷剂蒸汽被螺杆压缩机吸入后,电机通过压缩机转子对其施加能量,使制冷剂蒸汽的压力提高并进入冷凝器;与此同时,制冷剂蒸汽的温度在压缩终了时也相应提高。
冷凝过程:由压缩机来的高压、高温制冷剂蒸汽,在冷凝器中通过管内的冷却水放出热量,温度有所下降,同时在饱和压力(冷凝温度所对应的冷凝压力)下,冷凝成为液体。这时,冷却水因从制冷剂蒸汽中摄取了热量,其温度要有所升高。冷却水的温度与冷凝温度(冷凝压力)直接有关。
节流过程:由冷凝器底部来的高温、高压制冷剂液体,流经节流装置时,发生减压膨胀,压力、温度都降低,变为低压、低温液体进入蒸发器中。
蒸发过程:低压、低温制冷剂液体在蒸发器内从载冷剂(如冷水)中摄取热量后蒸发为气体,同时使载冷剂的温度降低,从而实现人工制冷,蒸发器内的制冷剂蒸汽又被压缩机吸入进行压缩,重复上述压缩、冷凝、节流、蒸发过程。如此周而复始,达到连续制冷的目的。
制冷量正比于压缩机的吸入流量。螺杆压缩机在其内部装配了滑阀机构,用它来控制压缩机的吸入流量,亦可控制制冷剂的蒸发量,从而实现制冷量可以在一定范围内无级调节。
油路循环系统:在压缩机内部,冷冻油依靠系统的高低压差,再通过内设油路,分别对轴承和转子提供润滑和冷却。压缩机连续排气过程中,冷冻油会随着制冷剂气体一起排出压缩机,如果排出的冷冻油无法重新回到压缩机,将可能导致压缩机失油,严重时会损坏压缩机。回油系统,保证随制冷剂气体排出的冷冻油顺利回到压缩机,确保机组安全可靠运行。

回油系统主要分为两个部分:
油分回油:在压缩机排气和冷凝器之间安装了高效油分离器,随着制冷剂气体排出的冷冻油,绝大部分会被油分离器拦截并通过吸气口直接送回压缩机。
高压引射回油:小部分冷冻油进入冷凝器后,最终会在蒸发器中聚集,依靠高压液体作为动力,可以将聚集在蒸发器中的冷冻油直接带回压缩机。
控制系统介绍:控制系统采用微电脑控制,控制柜面板上装有电源、运行、故障指示灯,可方便直观地了解当前机组的工作状况。此外,控制柜面板上装有急停开关,当机组发生紧急故障需马上停机时,可按下急停开关,确保机组安全。
警告:在机组运行时切勿操作该急停开关,否则会对机组造成损害!
由于压缩机是机组的重要部件,因此针对压缩机的保护有:
(1)在任何电气安装工作之前应确保切断总电源,在适当的位置安装总电源开关柜。(2)通过电线连接孔把主电源线、接地线接到机组电控柜内,并将接线接到相应的接线座和地线座上,必须保证L1,L2,L3 各相的正确连接。(3)确认主电源的电压波动是在铭牌标称值的±10%范围之内,且电压的不平衡在±2%以内,如果超过这个范围,请将机组保持关机状态,并立即联系当地电力部门。相电压不平衡的计算公式为:电压不平衡率%=与平均电压的最大偏差/平均电压×100%。(5)连接控制电路:将冷冻水泵、冷却水泵、冷却塔风机的交流接触器控制线、水流开关与机组电控系统正确连接。主电源应在开机前8小时接通,并在工作季节应一直供电,使压缩机加热带在压缩机未开时能进行加热,使集结在压缩机内的制冷剂液体挥发,避免直接开机对压缩机产生的不良影响。机组在完成安装、水路连接、接线通电等程序后可进入调试阶段。必须由厂商指定人员现场监督并指导开机调试及随后的运行操作。警告:机组可以对冷冻水泵、冷却水泵、冷却塔风机进行控制,但在进行调试前,水泵的试运行严禁通过主机来控制运行,可以通过临时接线来进行上述设备的试运行。(1)在开机前必须先给机组供电(机组不能启动),以使压缩机加热带工作,加热时间不低于8 小时。(2)仔细调节冷冻/冷却水系统上流量调节阀或机组进口截止阀,使系统水流量达到使用要求。(3)通过操作显示器,检查机组故障记录,如存在故障需检查后消除,在确认机组无故障。(4)且验证控制器参数设定无误后,方可按下开机键启动机组。(5)机组启动后,检查压缩机转向,如反转,请调整电源接线的其中两相线;检查压缩机润滑油,要求油镜中的油位应保持在可视位置。(6)试运行30分钟,根据用户负载及水系统实际情况设定进水温度,保证机组运行过程正常。停机后,间隔10分钟再投入运行,以防机组频繁启动,最后仔细检查操作显示器的参数设定情况,结束调试试运行。
水冷螺杆式冷水机组一般使用时间为3000h/年左右(根据我国气候地理条件)。为了确保机组长期安全可靠地正常运转,以及长期使用的运转寿命能够延长,减少运行费用,对机组经常性的科学维护和保养工作,是非常重要。日常的机组开、关机有手动和自动两种模式,机组自动开关机设定参见各厂商“控制器操作说明书”中自动开关机部分。控制器上的开/关键用于手动开、关机,电控箱门上的急停开关用在机组维修、调试或紧急情况下的关机,平时一般不使用。(1)在运行过程中应密切注意系统的排气、吸气压力,如发现异常及时找出原因,排除故障。(3)定期检查电气接线有无松动现象,如有松动要及时紧固。(4)定期检查电气元器件的可靠性,应及时更换失效或不可靠的器件。长期运行后,机组壳管式换热器水侧传热表面会沉积氧化钙或其他矿物质,这些矿物质在传热表面结垢较多时,会影响传热性能而导致电能消耗增加、排气压力升高。可采用甲酸、柠檬酸、醋酸等有机酸清洗。当冬季关机时,应清洗机组内外表面,并吹干;必须打开放水阀,放净壳管换热器内的存水,以防发生冻结事故。在较长时间停机后,要启动机组时,应做如下准备工作:更换零件应优先选用品牌厂商所供配件,不得随便用类似配件代替。如果遇到这种情况,必须用高压氮气(15~20公斤气压)或制冷剂对系统进行检漏,如需要进行补焊,必须将系统内气体排尽后才能进行焊接。充注制冷剂前,整个制冷系统必须是干燥的并抽真空。4)注意:在进行检漏和气密性试验时,千万不能向制冷系统充注氧气,乙炔等可如果壳管式换热器的流道发生严重结冰情况,可能造成壳管式换热器破裂和泄漏,而冻裂损坏不属于保修范围,因此对机组防冻要特别予以重视。在较低环境温度下停机备用时,若机组放在室外温度低于0℃的环境中必须将蒸发器和冷凝器中的水排尽。放水的具体操作步骤见整机上的放水标识。运行时,如果冷冻水水流开关失效时将可能导致水管出现冻结,因此水流开关必须与机组进行联锁。维护时,在给机组充注制冷剂或为了维修而放掉制冷剂时,有可能导致蒸发器内水结冰。一定要使蒸发器中的水保持流动或将水彻底放干净。机组系统维护保养周期表




